HomeLagerKratzkühl-Wärme-Set

Kratzkühl-Wärme-Set

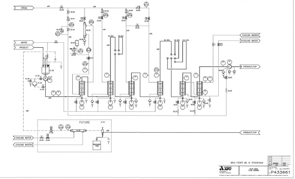
Kratzkühl-Wärme-Set. Früher als Sterilisator verwendet. Inkl. 3 Halterohre, Haltezeiten: 30 - 30 - 210 Sekunden (verschiedene Optionen auf Schwenkbogenplatte möglich). Jeder geschabte Wärmetauscher hat eine Temperaturanzeige für Wasser und Produkt. 2 Sätze APV Crepaco 3VT422 Kratzwärmetauscher, vertikal montiert. Rohr-durchmesser ca. 10 cm, Rotordurchmesser 3,5 cm, Rohrlänge 65 cm, 2 Schaber am Rotor. 1 Rahmen mit Erhitzer (durch Dampf, indirekt). Jede Einheit hat ihr eigenes Steuerventil (Samson) und Temperaturregler in der Elektroniktafel. 1 Rahmen mit 3 Rohren als Kühler verwendet. Abstreifer hydraulisch (Öldruck) angetrieben und ein separates Hydro-Set. Inklusive P&ID, Ersatzteilliste und Betriebsanleitung.

Download pdf

Spezifikationen

Angebotsnummer
22-31-02
Hersteller
APV Crepaco
Typ
SSHE
Leistung
200 Liter/Stunde
Baujahr
2005
Seriennummer
27154934
Strom
Ingebriffenes Hydro Set (5,5 kW)
Zustand der Maschine
Gut
Abmessungen
skids: 410 x 180 x 210 cm / hydro unit: 90 x 70 x 110 cm
Lieferbedingungen
FCA
Standort
Niederlande

Dieses Produkt anfordern