HomeAanbodTetra Therm Lacta C8

Tetra Therm Lacta C8

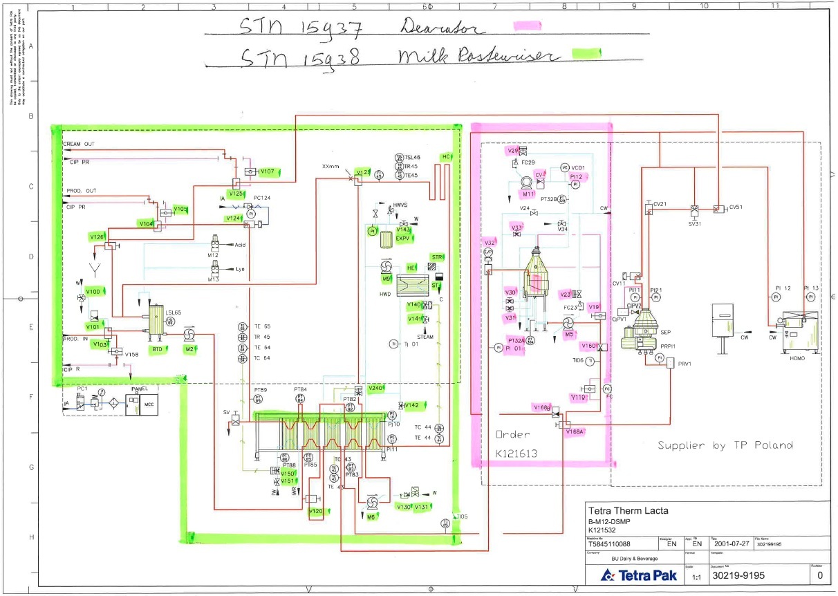
Milk pasteuriser skid mounted, Model Tetra Therm lacta with balance tank, pumps (1 x flushed seal), holding and Alfa Laval C8-SR plate heat exchanger, 4 sections, thermal cycle 4-55 (out separator)-65 (out deaerator)-75 (holding)-4°C. P&ID and documentation: electrical diagram included. Dimensions skid: 250x110x300 (lxwxh) cm weight: 605 kg - plate heat exchanger weight: 1.571 kg.

Specificaties

Assortiment
Warmtewisselaar
Categorie
Platenwarmtewisselaar
Brand
Tetra Therm
Type
Lacta C8
Capaciteit
12.000 liter per hour
Year
2001
Stock status
voorraad
Locatie
NL
Stocknumber
STN15938

Offerte aanvragen

Vraag een offerte aan voor dit product.

Je ontvangt je offerte binnen 2-3 werkdagen